- 集团网站
- 选择区域/语言
登录
1、高精密蜗轮蜗杆和步进电机触动方式结合,断电自锁,抗风性强,高稳定性
2、支持多款镜头预置位功能,变倍自适应,旋转速度可以根据镜头变倍,倍数自动调整。
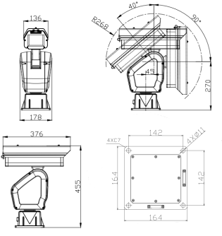
3、蜗轮蜗杆大传动设计,水平转速可达 100°/s。重复定位精度高,可达± 0.1° 。最大承载10kg。
4、全天候防护设计,IP66防护等级。
5、采用 H.265 视频压缩算法,压缩比高,图像质量好,200 万像素,支持 1920×1080分辨率
焦7、距 f=5.4~108mm,20倍光学变倍,16倍数字变倍
APG-PT-5D220-H |
可见光成像 |
图像传感器 |
1/3" Progressive Scan CMOS |
有效像素 |
200万像素 |
|
最低照度 |
彩色:0.01Lux @ (F1.5,AGC ON) |
|
黑白:0.005Lux @(F1.5,AGC ON) |
||
白平衡 |
自动 / 手动 / 自动跟踪白平衡 /室外/室内/日光灯白平衡/钠灯白平衡 |
|
增益控制 |
自动 / 手动 |
|
背光补偿 |
支持 |
|
日夜模式 |
自动ICR滤光片彩转黑 |
|
数字变倍 |
16倍 |
|
透雾 |
支持 |
|
焦距 |
5.4-108mm,20 倍光学 |
|
光圈数 |
F1.5-F2.7 |
|
视频压缩 |
H.264/H.265 |
|
速度自适应 |
支持 |
|
防护罩 |
视窗 |
一体化视窗设计,红外高效增透光学玻璃,透过率>98% |
雨刷 |
支持(选配W) |
|
自动温控范围 |
内置加热、制冷等温控元件, |
|
加热开:8°±5° 关:20°±5°(风扇同时运转) |
||
风扇开:37°±5°关:20°±5° |
||
云台功能 |
承载 |
大于10kg |
垂直范围 |
+40°~-90° |
|
水平范围 |
水平360° 连续旋转, |
|
水平速度 |
0.01~100°/S |
|
垂直速度 |
0.01~40°/S |
|
预置点个数 |
200个 |
|
巡航扫描 |
支持 |
|
扫描模式 |
巡航扫描/自动扫描 |
|
零点校正 |
具有 |
|
网络和通信功能 |
网络协议 |
TCP/IP,ICMP,HTTP,HTTPS,FTP,DHCP,DNS,DDNS,RTP,RTSP,RTCP,PPPoE,NTP,UPnP,SMTP,SNMP,IGMP,802.1X,QoS,IPv4/IPV6等多种网络协议 |
用户管理 |
支持三级用户权限管理,支持授权的用户和密码,支持HTTP S加密和IEEE802.1x网络访问控制、IP地址过滤 |
|
RS485控制接口 |
支持自适应Pelco-P、Pelco-D等协议,波特率2400、4800、9600、19200可选 |
|
应用编程接口 |
支持软件集成的开发式API,支持ONVIF2.0、GB28181协议,支持SDK和第三方平台接入 |
|
本地存储 |
内置128G Micro SD卡槽,可支持手动、报警录像 |
|
系统参数 |
供电 |
AC24V±25%,50/60Hz;DC24V±10%,80W;整机运动时功耗≤90W |
接口 |
1路10M/100M自适应以太网口,1路AC24V/DC24V,(可选) |
|
预留RS422/485和模拟视频 |
||
环境指标 |
工作温度:-40℃~+65℃, |
|
湿度:<90%RH, |
||
抗震:0.2g(符合GB/T15211—2013中5.4严酷等级2的规定) |
||
抗冲击:15g(符合GB/T15211—2013中5.3严酷等级3的规定) |
||
防雷击浪涌:符合GB/T17626.5四级标准,电源6000V,通讯视频信号2000V |
||
防盐雾:在PH值6.5~7.2,连续喷雾48小时,表面无变化 |
||
防护等级:IP66 |
||
整机重量 |
≤12kg |
